申请号:CN201811120189.2
专利名称:一种灭火剂充装设备
发明人:陆松; 刘长城; 张丹; 张和平
专利类型:发明专利
摘要:
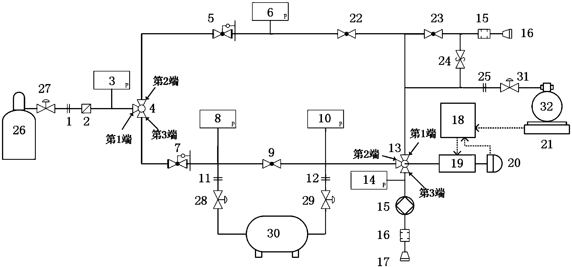
本发明公开了一种灭火剂充装设备,可以对灭火器充装灭火剂。该设备包括氮气源接口、过滤器、氮气源压力表、氮气三通阀、灭火器加压调压阀、灭火器加压压力表、灭火剂储罐加压调压阀、灭火剂储罐加压压力表、灭火剂储罐管路排气阀、灭火剂储罐出口压力表、灭火剂储罐进气接口,灭火剂储罐出气接口、灭火剂‑抽真空‑充装三通阀、真空表、真空泵、排气消音器、排气口、充装质量控制器、气动执行机构、限位开关、称重设备、灭火器加压阀、排气阀、比例卸荷阀和灭火器接口。与现有技术相比,本发明可以在充装前对灭火器抽真空,当灭火器充装压力超过设定值时能自动降低灭火器内的压力,可以根据设定自动控制充装灭火剂质量。
